Двигатель      Трансмиссия      Ходовая      Тормозная система

Тормозная система
Проверка и регулировка педали тормоза
Проверка усилителя тормоза
Прокачка тормозной системы
Проверка датчика уровня тормозной жидкости
Осмотр и замена тормозных колодок
Проверка тормозного диска
Педаль тормоза - снятие, установка, проверки
Главный цилиндр в сборе и усилитель тормоза
Передний дисковый тормоз в сборе
Задние дисковые тормоза
Антиблокировочная тормозная система (ABS)
Проверка сигнальных ламп ABS и тормозов
Коды диагностики
Таблица проявлений неисправностей
Опорная таблица для проверки привода
Проверка сигнала на выводах ECU
Проверка узла гидросистемы при разрядке батареи
Узел гидросистемы
Датчик скорости вращения колеса
Система динамической стабилизации (ASС)
Калибровка датчика ускорения и угловой скорости
Калибровка датчика поворота рулевого колеса
Калибровка датчика давления тормозной жидкости
Выключатель ASC
Датчик ускорения и угловой скорости
Датчик поворота рулевого колеса
Стояночные тормоза
Регулировка хода рычага стояночного тормоза
Посадка накладки стояночного тормоза
Рычаг стояночного тормоза
Трос привода стояночного тормоза
Накладка, колодки и барабан стояночного тормоза

Код № С2101 Ненормальное (высокое) напряжение аккумуляторной батареи

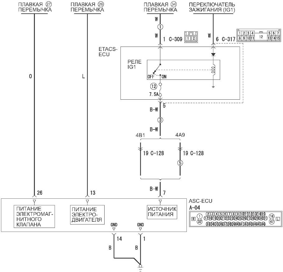
Цепь питания ABC-ECU

Цветовая кодировка проводов В: Черный LG: Светло-зеленый G: Зеленый L: Синий W: Белый Y: Желтый SB: Голубой BR: Коричневый О: Оранжевый GR: Серый R: Красный Р: Розовый V: Фиолетовый PU: Пурпурный SI: Серебристый

 

А ОСТОРОЖНОЕсли в шине CAN есть какая-либо неисправность, может быть выдан неверный код диагностики. Прежде чем выполнять эту диагностику, следует продиагностировать шину CAN (54С, Анализ кодов диагностики неисправностей 54С-18).

РАБОТА

В ABS-ECU получает питание от цепи питания клапана (клемма №26). Когда от переключателя зажигания (IG1) на реле IG1 ETACS-ECU поступает питание, реле IG1 включено. При этом цепь питания клапана (клемма №26) запитывает ABS-ECU.

УСЛОВИЯ ПОЯВЛЕНИЯ КОДОВ ДИАГНОСТИКИ

Данный код диагностики выдается, когда напряжение питания ABS-ECU превышает 18,0 ±1,0 В.

ВОЗМОЖНЫЕ ПРИЧИНЫ

• Отказ аккумуляторной батареи

• Неисправность ABS-ECU

• Отказ системы зарядки

ШАГ 1. Диагностика шины CAN с помощью M.U.T.-III

Диагностика шины CAN проводится с помощью M.U.T.-III.

Q: Является ли результат проверки нормальным?

ДА : Перейти к Шагу 3. НЕТ : Отремонтировать шину CAN (54С - Выявление неисправностей По завершении перейти к Шагу 2.

ШАГ 2. Повторная проверка кода диагностики после переустановки шины CAN

Q: Выдается ли код диагностики № С2101?

ДА : Перейти к Шагу 3. НЕТ: Диагностика завершена.

ШАГ 3. Проверка плавкой перемычки: Проверить плавкую перемычку №27.

Посмотреть, нет ли обрыва цепи в плавкой перемычке №27.

Q: Является ли результат проверки нормальным?

ДА : Перейти к Шагу 4.

НЕТ : Заменить плавкую перемычку №27.

ШАГ 4. Проверка аккумуляторной батареи

(54А - Проверка аккумуляторной батареи

Q: Находится ли аккумуляторная батарея в хорошем состоянии?

ДА : Перейти к Шагу 5.

НЕТ : Заменить аккумуляторную батарею.

ШАГ 5. Проверка системы зарядки

(16 - Система зарядки

Q: Находится ли система зарядки в хорошем состоянии?

ДА : Перейти к Шагу 6.

НЕТ : Отремонтировать или заменить

соответствующий компонент(ы) системы зарядки.

(1) Отсоединить разъем ABS-ECU и подсоединить специальный инструмент жгут проводов для проверки ABS (МВ991974), к разъему со стороны жгута, после чего измерить напряжение со стороны разъема специального инструмента.

ПРИМЕЧАНИЕ: Подсоединять специальный инструмент - жгут проводов для проверки ABS (МВ991974), к ABS-ECU запрещается.

(2) Перевести переключатель зажигания в положение ВКЛ.

(3) Измерить напряжение на участке между клеммой №26 и «массой на кузове».

НОРМА: Приблизительное напряжение аккумуляторной батареи

Q: Является ли результат проверки нормальным?

ДА : Перейти к Шагу 8. НЕТ : Перейти к Шагу 7.

ШАГ 7. Проверка разъема: Разъем ABS-ECU А-04

Q: Является ли результат проверки нормальным?

ДА : В цепи питания может присутствовать обрыв или короткое замыкание. Заменить жгут электропроводки на участке между клеммой №26 разъема ABS-ECU А-04 и плавкой перемычкой №27.

НЕТ : Отремонтировать неисправный разъем.

ШАГ 6. Измерение напряжения на разъеме ABS-ECU А-04

 

(1) Отсоединить разъем ABS-ECU и подсоединить специальный инструмент жгут проводов для проверки ABS (МВ991974), к разъему со стороны жгута, после чего измерить сопротивление со стороны разъема специального инструмента.

ПРИМЕЧАНИЕ: Подсоединять специальный инструмент - жгут проводов для проверки ABS (МВ991974), к ABS-ECU запрещается.

(2) Сопротивление на участке между клеммой №1 и «массой на кузове», а также между клеммой №14 и «массой на кузове».

НОРМА: Непрерывность цепи (2 Q или менее)

Q: Является ли результат проверки нормальным?

ДА: Перейти к Шагу 10. НЕТ : Перейти к Шагу 9.

ШАГ 9. Проверка разъема: Разъем ABS-ECU А-04

Q: Является ли результат проверки нормальным?

ДА : В цепи питания может присутствовать обрыв или короткое замыкание. Исправить жгут электропроводки на участке между клеммой №1 разъема ABS-ECU А-04 и «массой на кузове», а также между клеммой №14 разъема ABS-ECU А-04 и «массой на кузове».

НЕТ : Отремонтировать неисправный разъем.

ШАГ 8. Измерение сопротивления на разъеме ABS-ECU А-04

AC606869CW

ШАГ 10. Проверка сброса кода диагностики.

Q: Выдается ли код диагностики № С2101?

ДА : Заменить ABS-ECU. НЕТ: Периодическая неисправность (00 - Что делать с периодическими неисправностями

Яндекс.Метрика micubisi-lancer@yandex.ru